MWMECH
MWG-1908
Evet
sıcak iş kalıp çeliği, SUJ2, SKD11, S45C
| Kullanılabilirlik Durumu: | |
|---|---|
| Miktar: | |
|
| |
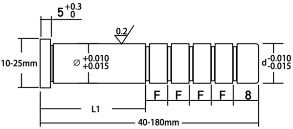
Kılavuz sütun, kalıbın doğru konum ve rota ile hareket etmesini sağlamak için kalıptaki diğer bileşenlerle birlikte kullanılır.Genellikle omuz ve yağ oluklu silindiriktir.Genel malzeme SUJ2, sıcak kalıp çeliği, kolay hadde demiri vb.dir. Kalıbın aşınmasını ve hasar görmesini önleme özelliğine sahiptir ve plakaya takılıp çıkarılabilmesi nedeniyle bakımı kolaylaştırır.
Kılavuz direğinin yuvarlaklığı çok önemlidir.Silindirik taşlama makinesi, dış çapı taşlamak için, kılavuz sütunun dönebilmesi için bant merkezini merkez deliğine doğru kullanmak zorundadır.
Kılavuz direkler kullanıma göre araba kalıbı, bağımsız kullanım, kalıp çerçevesi, boşaltma plakası vb. içindir.
Genellikle iç silindirik yüzey ø32H7, Ra0.2um'dur;dış silindirik yüzey ø45R6, Ra0.4um.
Sertlik: 58-62HRC
Yüzey pürüzlülüğü: Ra0.4-0.8
Hassasiyet toleransı: +/-0.005mm
Eşmerkezlilik: +/-0.01mm
Düzlük toleransı: 0.002mm
Yuvarlaklık toleransı: 0,002 mm
Yüzey işleme: karbonlama ısıl işlem
Uygulama: damgalama kalıbı, döküm kalıbı, plastik kalıp
Normal Boyut Kapsamı
![]() | ![]() | ![]() |
Normal Boy GP Kılavuz Sütun Kılavuz Burç Stokta Mevcut
Net çizimler sağlamanız gerekir ve mühendislerimizin iyice anlaması için gereklilikler.
Aşağıdaki gibi hassas mekanik parçalar da sağlayabiliriz:
CNC işleme bileşeni,
Line Punch'ı birleştirin,
Line Head Punch'ı Birleştirin,
Montaj Hattı Bağlantı - Adaptör Parçaları,
Montaj Hattı Montaj Plakası Bileşenleri,
Line Metal Tutucuyu Birleştirin,
Hat Kılavuz Kovanlarını Birleştirin,
Çizgi Yönlendirme Eklerini Birleştirin,
Hat Flanşı Konnektör parçalarını birleştirin,
Hat Cihazını Birleştirin,
Montaj Hattı Yönlendirme Parçaları,
Montaj Hattı için Ölçü Parçaları,
Muayene Parçaları,
Standart Dışı Metal Ayırma Kesicileri, Hat Aletlerini Birleştirir…
Müşterilerin teklif fiyatı ve işleme için standart kodlar ve çizimler sağlaması gerekir.
İyi tutarlılık, kararlı kalite, toleranslar +/- 0,005.
Normal boyut için Hızlı Kurşun Süresi 5-7gün.
İç: kabarcık çanta, PE torba veya antikorozif yağ artı dış karton kutu veya diğer güvenli paket ile plastik conta.
![]() | ![]() |
Kalıp aksesuarlarının ana yüzey işleme yöntemleri şunlardır: galvanik kaplama, püskürtme, parlatma, anotlama, karartma vb.
İşlev, kalıp parçalarının görünümünü, korozyon direncini ve aşınma direncini iyileştirmektir.Her birinin aşağıdaki gibi kendine özgü kullanım ortamı ve durumu vardır:
Çelik Malzeme Elektrokaplama
Galvanik Kaplama-Elektrokaplama, hassas kalıp bileşenlerinin yüzeyini bir metal film tabakasıyla işleme yöntemidir.Krom, çinko veya nikel gibi farklı metaller, farklı kullanım ortamlarında kaplama olarak kullanılır.
Kullanım: Boyutsal doğruluk gereksinimleri düşük olan parçalar için kullanılır.Galvanik kaplamanın kalınlık homojenliğini kontrol etmek kolay olmadığından, boyutsal doğruluk yüksek olduğunda doğruluğu sağlamak için yardımcı işlem gereklidir.
Çelik Malzeme Püskürtme
Püskürtme, hassas kalıp parçalarının yüzeyine bir kaplama tabakası püskürtme işlemi yöntemini ifade eder.
Kullanım: Yüksek boyutsal hassasiyet ve yüksek aşınma direnci gerektiren parçalarda son yüzey işlemi olarak kullanılabilir.
Çelik Malzeme Parlatma
Parlatma, yüzeyi pürüzsüz, düz, çapaksız bir duruma getirmek anlamına gelir.
Kullanım: Kalıp ve kalıp parçalarının görünümünü, mikro pürüzlülüğünü ve aşınma direncini iyileştirmek için.
Genel Çelik Kararması
Karartma, kalıp parçalarının yüzeyini işleme yöntemini ifade eder. bir siyah oksit film tabakasına.
Kullanım: Bir tür kalıp parçası malzemesi olarak sıradan çelik, performans ihtiyaçları ve korozyon direnci gereksinimleri yüksek değilse, karartma işlemi maliyet tasarrufu sağlayabilir.
Alüminyum Eloksal
Eloksal - Eloksal, kalıp parçalarının yüzeyini bir oksit film tabakasına işlemek anlamına gelir.
Kullanım: Düşük sertliği nedeniyle genellikle yardımcı kalıp aksesuarları olarak kullanılır.
İhtiyaçlarınıza göre birçok yüzey işlemi seçeneğiniz olabilir.Aşağıda kullandığımız bazı genel yöntemler bulunmaktadır.
SSS
S: Hangi hizmeti yapabilirsiniz?
C: OEM/ODM.Fiyat onaylandıktan sonra ücretsiz numuneler mevcuttur, ancak numune navlunu paylaşmanız gerekir.Parçaları müşterilerin çizimine veya örneğine göre üretiyoruz.Müşterilerimizin fikri mülkiyet haklarının korunması ile ilgili olarak, müşterilerimizin aynı ürününü üçüncü şahıslara satmayız.
S: Müşteri kesin bir fiyat teklifi için hangi verileri sağlamalıdır?
A: Çizimler veya numuneler, miktar, tolerans, standart, malzeme, yüzey kalitesi, diğer özel gereksinimler vb.
S: Teslimat yöntemleriniz nelerdir?
A: DHL, EMS, UPS, kara taşımacılığı veya deniz taşımacılığı mevcuttur.
S: Kalite kontrolünü nasıl sağlıyorsunuz?
A: Her sipariş için test raporu ve malzeme bileşimi sertifikası ile tam denetim ve eksik ürünler için ücretsiz onarım veya değiştirme için 1 yıllık satış sonrası hizmet.Neredeyse sıfır onarım oranı ve kusurlu ürünlerin tamamı ücretsiz olarak değiştirilir veya onarılır.
S: Teslim süreniz ne kadar?
A: miktara kadar 10-30 gün.
S: Hangi yüzey işlemleriyle başa çıkabilirsiniz?
A: Titanyum nitrür (TiN), TiCN, titanyum kaplama, karartma, karbonlama, çinko kaplama, çinko kaplama, galvanizleme, krom levha vb.
S: ödeme süreniz nedir?
A: T/T, L/C, western Union, PayPal, vb.
Kılavuz sütun, kalıbın doğru konum ve rota ile hareket etmesini sağlamak için kalıptaki diğer bileşenlerle birlikte kullanılır.Genellikle omuz ve yağ oluklu silindiriktir.Genel malzeme SUJ2, sıcak kalıp çeliği, kolay hadde demiri vb.dir. Kalıbın aşınmasını ve hasar görmesini önleme özelliğine sahiptir ve plakaya takılıp çıkarılabilmesi nedeniyle bakımı kolaylaştırır.
Kılavuz direğinin yuvarlaklığı çok önemlidir.Silindirik taşlama makinesi, dış çapı taşlamak için, kılavuz sütunun dönebilmesi için bant merkezini merkez deliğine doğru kullanmak zorundadır.
Kılavuz direkler kullanıma göre araba kalıbı, bağımsız kullanım, kalıp çerçevesi, boşaltma plakası vb. içindir.
Genellikle iç silindirik yüzey ø32H7, Ra0.2um'dur;dış silindirik yüzey ø45R6, Ra0.4um.
Sertlik: 58-62HRC
Yüzey pürüzlülüğü: Ra0.4-0.8
Hassasiyet toleransı: +/-0.005mm
Eşmerkezlilik: +/-0.01mm
Düzlük toleransı: 0.002mm
Yuvarlaklık toleransı: 0,002 mm
Yüzey işleme: karbonlama ısıl işlem
Uygulama: damgalama kalıbı, döküm kalıbı, plastik kalıp
Normal Boyut Kapsamı
![]() | ![]() | ![]() |
Normal Boy GP Kılavuz Sütun Kılavuz Burç Stokta Mevcut
Net çizimler sağlamanız gerekir ve mühendislerimizin iyice anlaması için gereklilikler.
Aşağıdaki gibi hassas mekanik parçalar da sağlayabiliriz:
CNC işleme bileşeni,
Line Punch'ı birleştirin,
Line Head Punch'ı Birleştirin,
Montaj Hattı Bağlantı - Adaptör Parçaları,
Montaj Hattı Montaj Plakası Bileşenleri,
Line Metal Tutucuyu Birleştirin,
Hat Kılavuz Kovanlarını Birleştirin,
Çizgi Yönlendirme Eklerini Birleştirin,
Hat Flanşı Konnektör parçalarını birleştirin,
Hat Cihazını Birleştirin,
Montaj Hattı Yönlendirme Parçaları,
Montaj Hattı için Ölçü Parçaları,
Muayene Parçaları,
Standart Dışı Metal Ayırma Kesicileri, Hat Aletlerini Birleştirir…
Müşterilerin teklif fiyatı ve işleme için standart kodlar ve çizimler sağlaması gerekir.
İyi tutarlılık, kararlı kalite, toleranslar +/- 0,005.
Normal boyut için Hızlı Kurşun Süresi 5-7gün.
İç: kabarcık çanta, PE torba veya antikorozif yağ artı dış karton kutu veya diğer güvenli paket ile plastik conta.
![]() | ![]() |
Kalıp aksesuarlarının ana yüzey işleme yöntemleri şunlardır: galvanik kaplama, püskürtme, parlatma, anotlama, karartma vb.
İşlev, kalıp parçalarının görünümünü, korozyon direncini ve aşınma direncini iyileştirmektir.Her birinin aşağıdaki gibi kendine özgü kullanım ortamı ve durumu vardır:
Çelik Malzeme Elektrokaplama
Galvanik Kaplama-Elektrokaplama, hassas kalıp bileşenlerinin yüzeyini bir metal film tabakasıyla işleme yöntemidir.Krom, çinko veya nikel gibi farklı metaller, farklı kullanım ortamlarında kaplama olarak kullanılır.
Kullanım: Boyutsal doğruluk gereksinimleri düşük olan parçalar için kullanılır.Galvanik kaplamanın kalınlık homojenliğini kontrol etmek kolay olmadığından, boyutsal doğruluk yüksek olduğunda doğruluğu sağlamak için yardımcı işlem gereklidir.
Çelik Malzeme Püskürtme
Püskürtme, hassas kalıp parçalarının yüzeyine bir kaplama tabakası püskürtme işlemi yöntemini ifade eder.
Kullanım: Yüksek boyutsal hassasiyet ve yüksek aşınma direnci gerektiren parçalarda son yüzey işlemi olarak kullanılabilir.
Çelik Malzeme Parlatma
Parlatma, yüzeyi pürüzsüz, düz, çapaksız bir duruma getirmek anlamına gelir.
Kullanım: Kalıp ve kalıp parçalarının görünümünü, mikro pürüzlülüğünü ve aşınma direncini iyileştirmek için.
Genel Çelik Kararması
Karartma, kalıp parçalarının yüzeyini işleme yöntemini ifade eder. bir siyah oksit film tabakasına.
Kullanım: Bir tür kalıp parçası malzemesi olarak sıradan çelik, performans ihtiyaçları ve korozyon direnci gereksinimleri yüksek değilse, karartma işlemi maliyet tasarrufu sağlayabilir.
Alüminyum Eloksal
Eloksal - Eloksal, kalıp parçalarının yüzeyini bir oksit film tabakasına işlemek anlamına gelir.
Kullanım: Düşük sertliği nedeniyle genellikle yardımcı kalıp aksesuarları olarak kullanılır.
İhtiyaçlarınıza göre birçok yüzey işlemi seçeneğiniz olabilir.Aşağıda kullandığımız bazı genel yöntemler bulunmaktadır.
SSS
S: Hangi hizmeti yapabilirsiniz?
C: OEM/ODM.Fiyat onaylandıktan sonra ücretsiz numuneler mevcuttur, ancak numune navlunu paylaşmanız gerekir.Parçaları müşterilerin çizimine veya örneğine göre üretiyoruz.Müşterilerimizin fikri mülkiyet haklarının korunması ile ilgili olarak, müşterilerimizin aynı ürününü üçüncü şahıslara satmayız.
S: Müşteri kesin bir fiyat teklifi için hangi verileri sağlamalıdır?
A: Çizimler veya numuneler, miktar, tolerans, standart, malzeme, yüzey kalitesi, diğer özel gereksinimler vb.
S: Teslimat yöntemleriniz nelerdir?
A: DHL, EMS, UPS, kara taşımacılığı veya deniz taşımacılığı mevcuttur.
S: Kalite kontrolünü nasıl sağlıyorsunuz?
A: Her sipariş için test raporu ve malzeme bileşimi sertifikası ile tam denetim ve eksik ürünler için ücretsiz onarım veya değiştirme için 1 yıllık satış sonrası hizmet.Neredeyse sıfır onarım oranı ve kusurlu ürünlerin tamamı ücretsiz olarak değiştirilir veya onarılır.
S: Teslim süreniz ne kadar?
A: miktara kadar 10-30 gün.
S: Hangi yüzey işlemleriyle başa çıkabilirsiniz?
A: Titanyum nitrür (TiN), TiCN, titanyum kaplama, karartma, karbonlama, çinko kaplama, çinko kaplama, galvanizleme, krom levha vb.
S: ödeme süreniz nedir?
A: T/T, L/C, western Union, PayPal, vb.
Ekle.: No.1518, F15, Bina 1, Qianhai Life Finans Merkezi, Jinqiao 3. Yol 418#, Chanba Ekolojik Bölgesi, Xi'an, Shaanxi, Çin.